CS01测速传感器
应用功能:电机测速传感器 ,
应用领域:白色家电类 ,
CS系列测速传感器是-种将电机转速转化成电压信号输出的传感器,由定子线圈总成和被极化磁体组成。当电机旋,转时带动固定在转轴.上的磁体旋转,此时磁场在线圈中高速旋转,使得线圈产生电压输出。主要用于串激洗涤电机。
服务热线:0519-85913333
结构及应用

CS系列测速传感器是-种将电机转速转化成电压信号输出的传感器,由定子线圈总成和被极化磁体组成。当电机旋,转时带动固定在转轴.上的磁体旋转,此时磁场在线圈中高速旋转,使得线圈产生电压输出。主要用于串激洗涤电机。

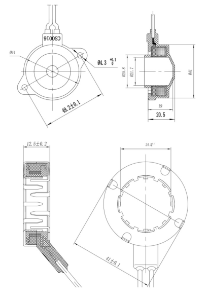
尺寸

图片.png

转速与输出电压关系图

图片.png



 

服务热线

051985913333